Porter Cable Parts And Service

Porter Cable 861 Home Parts Sears Parts Direct

Porter Cable 861 Home Parts Sears Parts Direct

Porter Cable 894884 003 Users Manual 2

Porter Cable 894884 003 Users Manual 2

Porter Cable 75182 Router Parts

Porter Cable 75182 Router Parts

Our service network is unmatched in the industry so you can have absolute confidence knowing that you and the job will not be let down.

Porter cable parts and service. Authorized repair parts for porter cable power tools are the best way to extend the life of your tools. Porter cable tools and accessories. Porter cable tool repair made easy. It is powerful durable and dependable.

Fixing your porter cable power tools is both easy and economical. View download of more than 1090 porter cable pdf user manuals service manuals operating guides. For over 100 years porter cable has always provided professional woodworkers and tradesmen with sturdy and durable tools. Easily order replacement parts.

Hold on to your hard earned cash by buying porter cable parts for a fraction of the cost of a new power tool. I have 5 or 6 other porter cable tools and i find that they are all of the very highest quality priced competitively and made in america. Saw power tool user manuals operating guides specifications. New gold ferrous pilot point.

Utility carts service parts. We supply all available replacement parts for your porter cable tools and to help you with your tool repairs we. Free shipping to us and canada. Porter cable step drill bits.

Since 1906 porter cable tools and accessories have been engineered for professional quality results in any setting. Tradesman diamond drill bits. I have 4 sanders and this is my favorite. Pilot point bulk.

This is an excellent tool. My porter cable 330 works like new. Porter cable factory service provides fast professional tool repair when you need it. Tool parts direct carries 10000 porter cable parts and 5000 power tool schematics.

Porter cable has developed quality power tools for over 100 years. The porter cable service network is unmatched in the industry and includes over 70 factory owned locations and more than 1000 porter cable authorized independent repair shops which has your back when a tool goes down. Utility carts mid price point. Find your porter cable parts fast.

Order online or call 888 982 6540. Impact ready step bits.


Porter Cable 7602 Lawn Tractor Attachment Parts Sears Parts Direct

Porter Cable 7602 Lawn Tractor Attachment Parts Sears Parts Direct

Porter Cable 5028 Band Saw Parts

Porter Cable 5028 Band Saw Parts

Simple Stapler Parts

Simple Stapler Parts

Porter Cable 24 Gallon Portable Air Compressor At Tractor Supply Co

Porter Cable 24 Gallon Portable Air Compressor At Tractor Supply Co

Porter Cable 7800 3 5amp Sander Parts Partswarehouse Com

Porter Cable 7800 3 5amp Sander Parts Partswarehouse Com

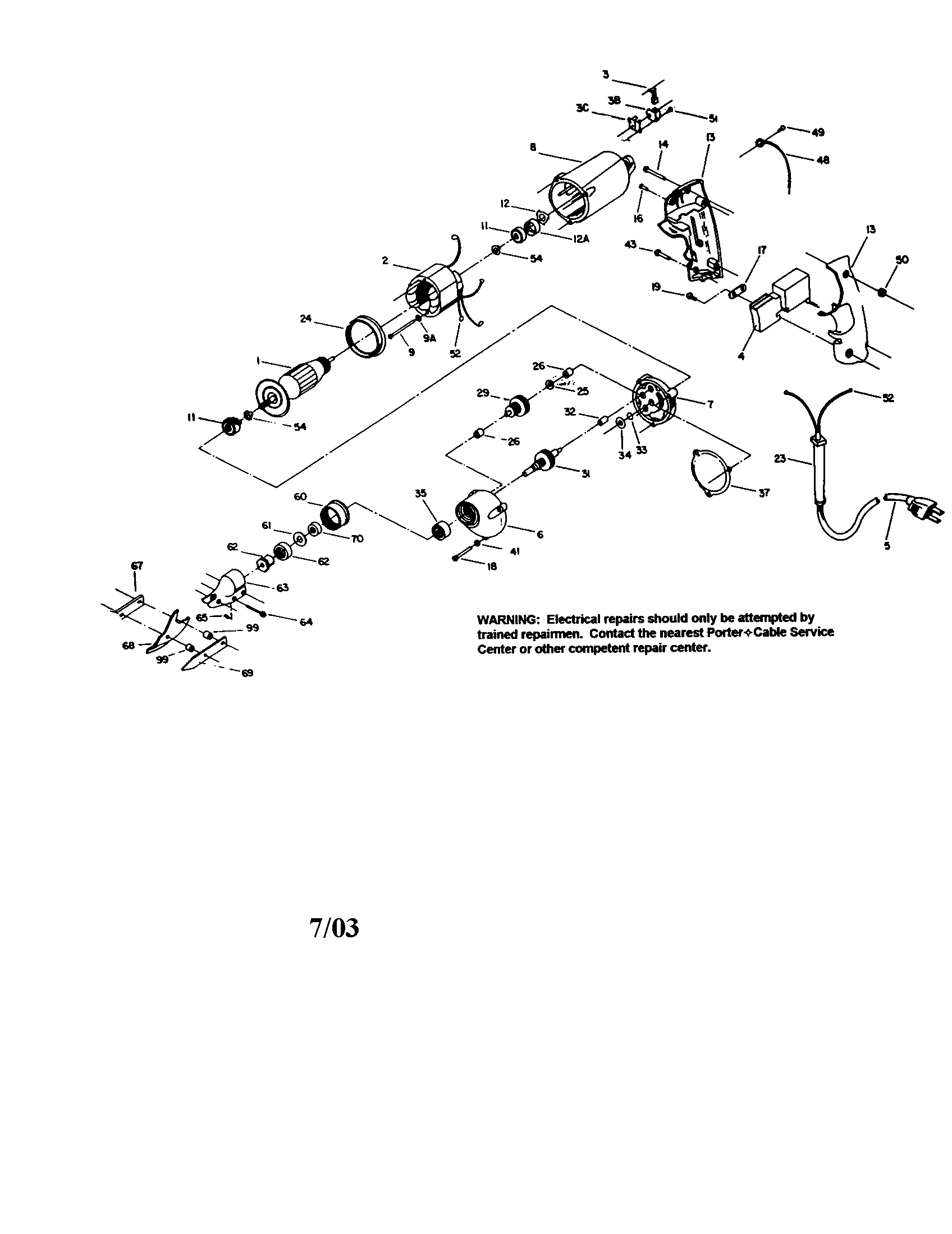
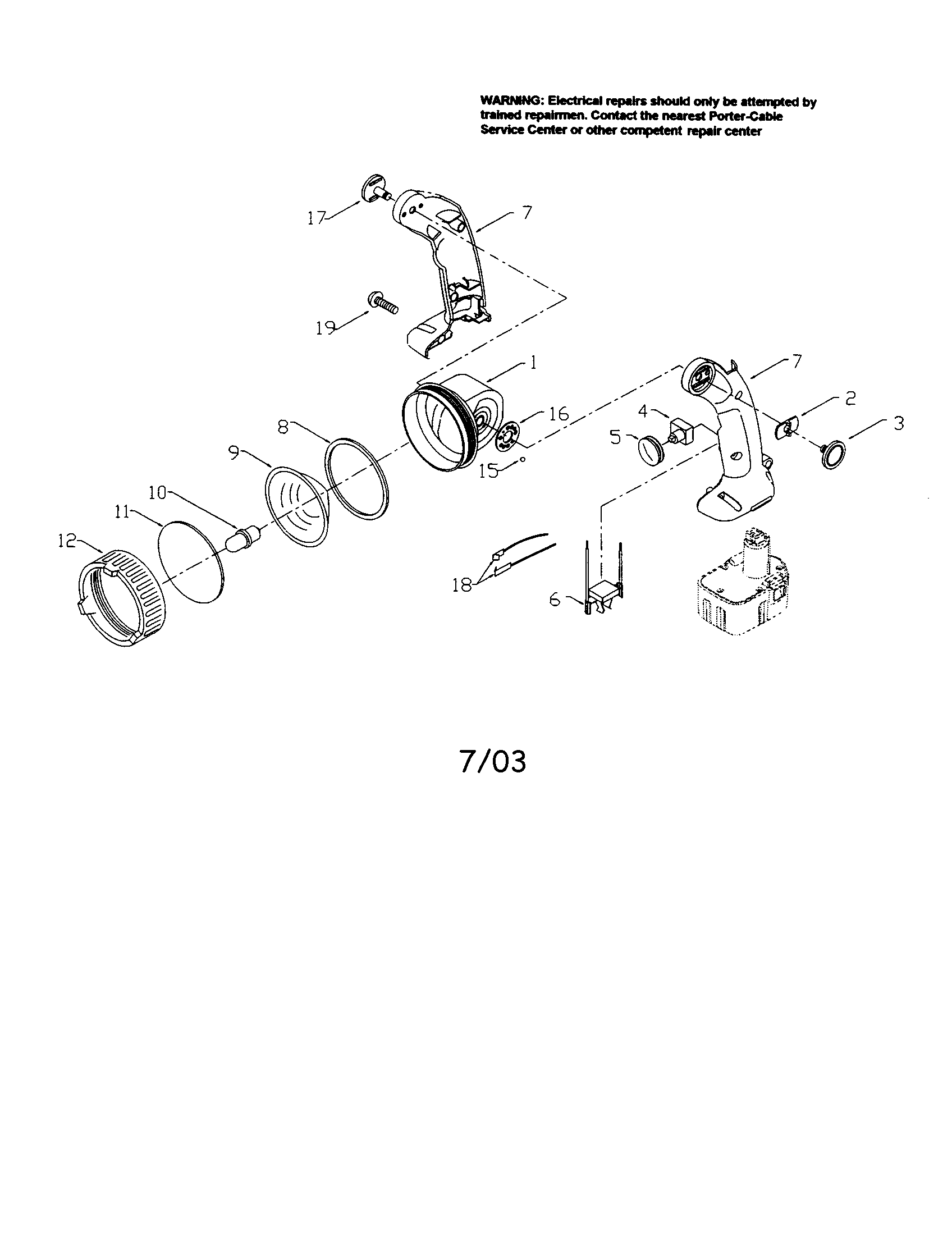
Porter Cable 851 Drill Driver Parts Sears Parts Direct

Porter Cable 851 Drill Driver Parts Sears Parts Direct

Porter Cable Power Pneumatic Tools

Porter Cable Power Pneumatic Tools

Porter Cable Fts 150 User S Manual Manualzz

Porter Cable Fts 150 User S Manual Manualzz

Porter Cable Roofing Nailer Rn175a Ereplacementparts Com

Porter Cable Roofing Nailer Rn175a Ereplacementparts Com