Two Cylinder Parts

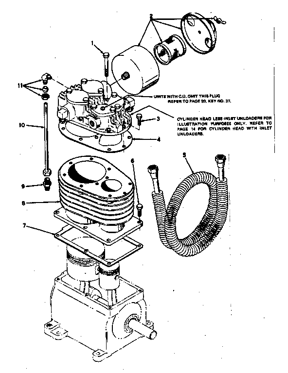
Craftsman 102173181 Air Compressor Parts Sears Parts Direct

Craftsman 102173181 Air Compressor Parts Sears Parts Direct

Two Cylinder Jinma Dongfeng Tractor Jiangdong Diesel Engine Ty290

Two Cylinder Jinma Dongfeng Tractor Jiangdong Diesel Engine Ty290

Two Cylinder Air Cooled Four Stroke 250cc Motorcycle Engine Spare

Two Cylinder Air Cooled Four Stroke 250cc Motorcycle Engine Spare


Lister Sl2 Twin Cylinder Diesel Engine Other Spare Parts

Lister Sl2 Twin Cylinder Diesel Engine Other Spare Parts

Vt232605kb Campbell Hausfeld Air Compressor Parts

Vt232605kb Campbell Hausfeld Air Compressor Parts

Two Cylinder Manualzz

Two Cylinder Manualzz

Auto Parts Two Cylinder Air Brake Compressor For Kamaz 5320

Auto Parts Two Cylinder Air Brake Compressor For Kamaz 5320

Kruger Implement Vintage Two Cylinder Parts Tractors Home

Kruger Implement Vintage Two Cylinder Parts Tractors Home

Loncin 2v78 Piston Ring Fit For Two Cylinder 8kw Gasoline

Loncin 2v78 Piston Ring Fit For Two Cylinder 8kw Gasoline

December 1970 Mercury Outboard Merc 400 Two Cylinder Parts Manual

December 1970 Mercury Outboard Merc 400 Two Cylinder Parts Manual

Solved S Comprises The Parts Of The Cylinder X 2 Z 2

Solved S Comprises The Parts Of The Cylinder X 2 Z 2

Gp F1740r Spring Flow Control Green Parts Of Va

Gp F1740r Spring Flow Control Green Parts Of Va