Ryobi Ap 12 Owners Manual

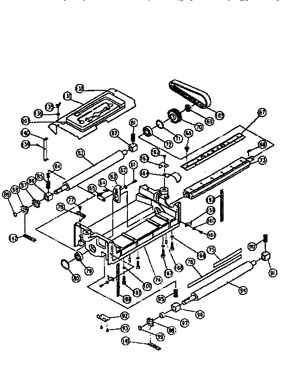
Ryobi Ap 12 Planer Parts Sears Parts Direct

Ryobi Ap 12 Planer Parts Sears Parts Direct

Ryobi Bs902 Owner S Manual Bs902 267 Eng

Ryobi Bs902 Owner S Manual Bs902 267 Eng

Ryobi Ap 12 Planer Parts Sears Parts Direct

Ryobi Ap 12 Planer Parts Sears Parts Direct


Ryobi Ozark Tool Manuals Books

Ryobi Ozark Tool Manuals Books

Top 10 Ryobi Planers Of 2020 Best Reviews Guide

Top 10 Ryobi Planers Of 2020 Best Reviews Guide

The Tool Store Parts

The Tool Store Parts

Operating Manual Ryobi 500n Np

Operating Manual Ryobi 500n Np

Zduzb2 Uzdn3hm

Zduzb2 Uzdn3hm

Planers Professional Ryobi Planer

Planers Professional Ryobi Planer

Ryobi Planer Ap 10 With Bench And Operating Manual Works Fine

Ryobi Planer Ap 10 With Bench And Operating Manual Works Fine

Ridgid Ryobi 4 Pack Replacement 6202 Ball Bearing 080009006137

Ridgid Ryobi 4 Pack Replacement 6202 Ball Bearing 080009006137

Ryobi Planer Ap 12 Ereplacementparts Com

Ryobi Planer Ap 12 Ereplacementparts Com