Rockwell Delta Jointer Parts

Delta Rockwell 37 315 Jointer In Pittsburg Ks Item Bb9155 Sold

Delta Rockwell 37 315 Jointer In Pittsburg Ks Item Bb9155 Sold

Nice Vintage Combo With 10 Saw And 6 Jointer Delta

Nice Vintage Combo With 10 Saw And 6 Jointer Delta

Delta Rockwell 4 Jointer

Delta Rockwell 4 Jointer


Shed Plan Looking For Woodworking Table Saw Jointer Jig

Shed Plan Looking For Woodworking Table Saw Jointer Jig

Delta Jointer Planer Manual Fine84ivc

Delta Jointer Planer Manual Fine84ivc

Rockwell Jointer Parts 4 Inch Planer Rockwell 353194940

Rockwell Jointer Parts 4 Inch Planer Rockwell 353194940

Looking For Rockwell 6 Jointer Parts By Ihatemayonnaise

Looking For Rockwell 6 Jointer Parts By Ihatemayonnaise

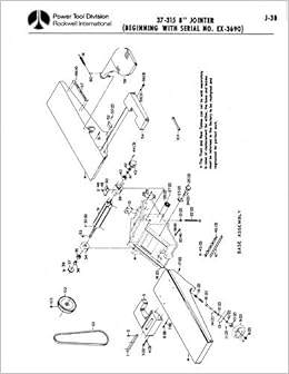
Delta Rockwell 37 315 8 Jointer Begin With Serial No Ex 3690 J

Delta Rockwell 37 315 8 Jointer Begin With Serial No Ex 3690 J

Old Rockwell Delta Jointer Repair Youtube

Old Rockwell Delta Jointer Repair Youtube

Rockwell Delta 8 Jointer Auction Results 1 Listings

Rockwell Delta 8 Jointer Auction Results 1 Listings

Rockwell Beaver Jointer Canadian Woodworking And Home

Rockwell Beaver Jointer Canadian Woodworking And Home

The Project Lady Rockwell 37 220 6 Jointer Makeover Caster

The Project Lady Rockwell 37 220 6 Jointer Makeover Caster