Hand Planer Diagram

How To Choose A Hand Plane Number And Slope Angle For Shop Use On

How To Choose A Hand Plane Number And Slope Angle For Shop Use On

The Tool Store Parts

The Tool Store Parts

Plot Complex Numbers On The Complex Plane College Algebra

Plot Complex Numbers On The Complex Plane College Algebra


Mapping In The Complex Plane

Mapping In The Complex Plane

Contour Plot Of Cos 8 In The 3h Plane Left Hand Side Of The Plot

Contour Plot Of Cos 8 In The 3h Plane Left Hand Side Of The Plot

Thin Line Icon Set Funnel Diagram Stock Vector Royalty Free

Thin Line Icon Set Funnel Diagram Stock Vector Royalty Free

An Introduction To Understanding Rebate Planes Handplane Central

An Introduction To Understanding Rebate Planes Handplane Central

What Are The Parts Of A Standard Metal Hand Plane Wonkee Donkee

What Are The Parts Of A Standard Metal Hand Plane Wonkee Donkee

The Tool Store Parts

The Tool Store Parts

Workshop Tools Hand Planes Free Woodworking Plan Com

Workshop Tools Hand Planes Free Woodworking Plan Com

Cap Iron Study By Kees Van Der Heiden

Cap Iron Study By Kees Van Der Heiden

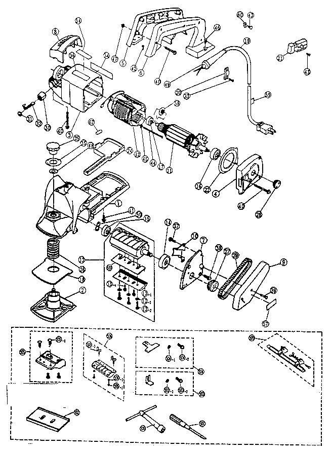
Ryobi L 120uk Planer Parts Sears Parts Direct

Ryobi L 120uk Planer Parts Sears Parts Direct