Dewalt Plate Joiner Parts

Dewalt Dw682 K Biscuit Joiner Joiner Manual

Dewalt Dw682 K Biscuit Joiner Joiner Manual

Dewalt Dw682 Dw931 Dw932 Joiner Oem Replacement Blade 147790 07

Dewalt Dw682 Dw931 Dw932 Joiner Oem Replacement Blade 147790 07

A New Manual For Biscuit Joiners Popular Woodworking Magazine

A New Manual For Biscuit Joiners Popular Woodworking Magazine


Dewalt 4 In 6 Tooth Carbide Plate Joiner Blade Do It Best

Dewalt 4 In 6 Tooth Carbide Plate Joiner Blade Do It Best

Mastercraft 5 A Biscuit Jointer Canadian Tire

Mastercraft 5 A Biscuit Jointer Canadian Tire

Cmt 4 Biscuit Joiner Blade At Menards

Cmt 4 Biscuit Joiner Blade At Menards

Biscuit Joiners Canadian Woodworking Magazine

Biscuit Joiners Canadian Woodworking Magazine

Dewalt Dw6805 Acme Tools

Dewalt Dw6805 Acme Tools

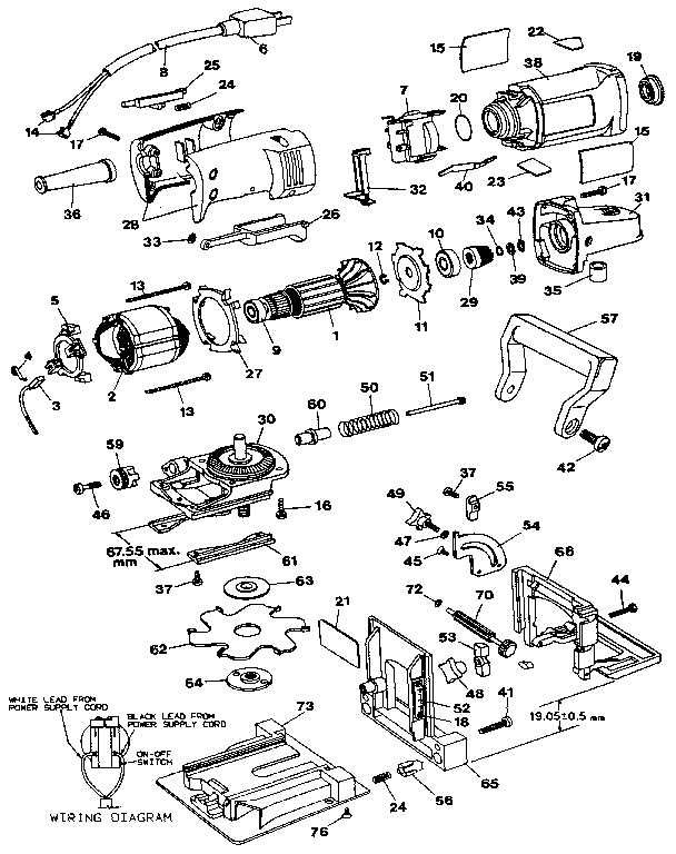
Dewalt Dw682 Power Tool Parts Sears Parts Direct

Dewalt Dw682 Power Tool Parts Sears Parts Direct

Test Dewalt Dw682k Plate Joiner 6 5 Amp Youtube

Test Dewalt Dw682k Plate Joiner 6 5 Amp Youtube

Dewalt Spare Part Screw For Mitre Saw Combination Saw Plate Joiner

Dewalt Spare Part Screw For Mitre Saw Combination Saw Plate Joiner

Dewalt Spare Part Screw For Mitre Saw Combination Saw Plate Joiner

Dewalt Spare Part Screw For Mitre Saw Combination Saw Plate Joiner