Dewalt Dw705 220 Type 2 Parts Diagrams
Compatible Armature And Fan For Dewalt Dw715 Type 1 Miter Saw
Dewalt Dw705 Wiring Diagram Balboa Circuit Board Schematic 2001
Double Bevel Dewalt Miter Saw
12 In 305 Mm Single Bevel Compound Miter Saw Dw715 Dewalt
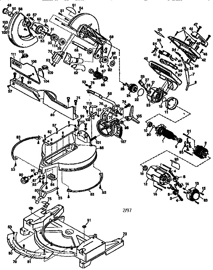
Dewalt Dw705 Type 4 Miter Saw Parts Sears Parts Direct
Dewalt Mitre Saw Spare Parts Spares Tools And Parts Direct
Dw705 Dewalt Miter Saw Dewalt Dw7053 Universal Dust Bag All
Dewalt 705 Miter Saw Switch Mitersaw
Dewalt Dw705 Miter Saw Replacement Handle Assembly 395674 02
Amazon Com Dewalt Miter Saw Parts
Dewalt 146726 02 Plate Kerf Powertoolreplacementparts