Understanding Lithium Ion Batteries In Portable Tools W F Rick
Battery Balancing Wikipedia
Dead Dewalt Battery Charger Repaired Model Dcb105 Electronics
Dewalt Dcd960 18v Cordless Drill Driver Parts Kit Parts
Raspberry Pi To Go How To Wire 18v Portable Pi Power Make
Problem With Makita 18v Cordless Drill Diynot Forums
Dewalt Dc970 18v Cordless Drill Partswarehouse
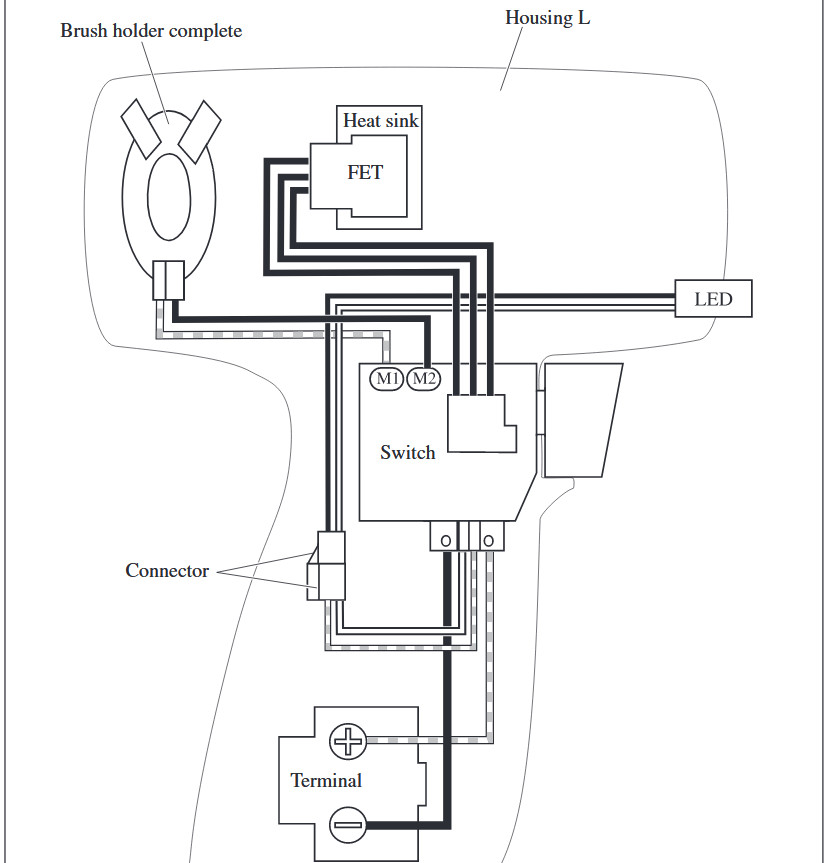
Dewalt Battery Connector
Dewalt Flexvolt 60v 9ah Battery Teardown Analysis From 20v To
12v Battery Charger Circuit
Why Won T Power Tool Brands Standardize Their Battery Packs
Why Are There 3 Pins On Some Batteries Electrical Engineering