Dc Motor Starter Circuit Diagram

Using Dc Motors In Fighting Robots

Using Dc Motors In Fighting Robots

Purpose Of The Diode And Capacitor In This Motor Circuit

Purpose Of The Diode And Capacitor In This Motor Circuit

1 3 Point Starter Of A Dc Motor Download Scientific Diagram

1 3 Point Starter Of A Dc Motor Download Scientific Diagram


Solved Dc Motor Starter This Motor Start Circuit Reduces

Solved Dc Motor Starter This Motor Start Circuit Reduces

Direct Online Starter Dol Starter With Images Diagram Dol

Direct Online Starter Dol Starter With Images Diagram Dol

How To Work Dc Forward Reverse Starter Series Motor Youtube

How To Work Dc Forward Reverse Starter Series Motor Youtube

Single Phase Induction Motors Ac Motors Electronics Textbook

Single Phase Induction Motors Ac Motors Electronics Textbook

Series Lockout Starters

Series Lockout Starters

Dc Motor Types Brushed Brushless And Dc Servo Motor

Dc Motor Types Brushed Brushless And Dc Servo Motor

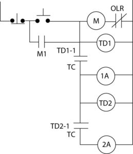
Definite Time Dc Motor Starter Circuit Diagram Electrical Academia

Definite Time Dc Motor Starter Circuit Diagram Electrical Academia

0a2cec5 12 Volt Dc Motor Starter Wiring Diagram Wiring Library

0a2cec5 12 Volt Dc Motor Starter Wiring Diagram Wiring Library

Direct Current Motors Shunt Wound D C Motor Series Wound D C

Direct Current Motors Shunt Wound D C Motor Series Wound D C