Craftsman Planer Molder Parts

Bert Jay Access Bell Saw Planer Parts

Bert Jay Access Bell Saw Planer Parts

Photo Index Sears Craftsman 306 233901 Belsaw 910 912

Photo Index Sears Craftsman 306 233901 Belsaw 910 912

Older Craftsman Planer Molder Ridgid Forum Plumbing

Older Craftsman Planer Molder Ridgid Forum Plumbing


Craftsman 21745 3 Hp 15 Planer Molder With Dust Collection

Craftsman 21745 3 Hp 15 Planer Molder With Dust Collection

Planers Professional Planer Molder

Planers Professional Planer Molder

Nc Auctions Craftman Planner Molder Raleigh Nc

Nc Auctions Craftman Planner Molder Raleigh Nc

Craftsman 351233831 Planer Parts Sears Parts Direct

Craftsman 351233831 Planer Parts Sears Parts Direct

Jet 13 Planer Molder We Have The Largest Inventory Of Molding

Jet 13 Planer Molder We Have The Largest Inventory Of Molding

Planer Jointer Parts Repair Help Fix Com

Planer Jointer Parts Repair Help Fix Com

Vintage Craftsman 306 9121 Planer Restoration 1 Planer

Vintage Craftsman 306 9121 Planer Restoration 1 Planer

Craftsman 306 2339 Planer Moulder Owners Operators Parts Service

Craftsman 306 2339 Planer Moulder Owners Operators Parts Service

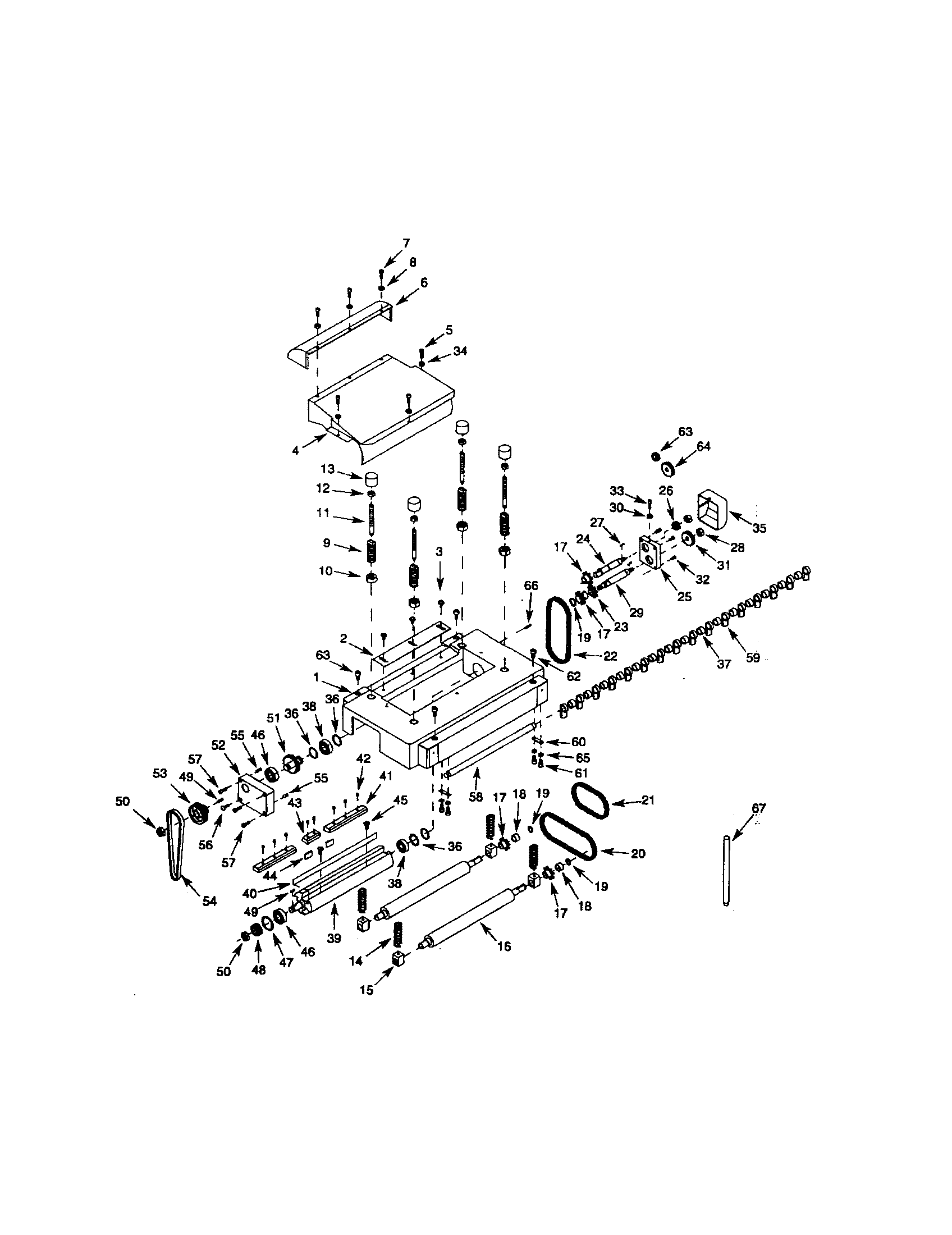
Sears Craftsman 12 Planer Molder 306 233810 Op Parts Manual

Sears Craftsman 12 Planer Molder 306 233810 Op Parts Manual