Craftsman Drill Press Parts Diagram

Delta 14 040 Parts List And Diagram Type 1 Ereplacementparts

Delta 14 040 Parts List And Diagram Type 1 Ereplacementparts

Https Www Manualshelf Com Manual Craftsman 137 229130 Operating Instructions English Html

Https Www Manualshelf Com Manual Craftsman 137 229130 Operating Instructions English Html

Oem Craftsman Drill Press Parts Expert Diy Repair Help Fast

Oem Craftsman Drill Press Parts Expert Diy Repair Help Fast


Buy Craftsman Model 124 34986 Replacement Parts

Buy Craftsman Model 124 34986 Replacement Parts

Https Encrypted Tbn0 Gstatic Com Images Q Tbn 3aand9gcqcze8zz S1tcbqcttat Iorhsgtzyqm1qxwymgix7kxpcalqpakiptplknjaefhbq Usqp Cau

Https Encrypted Tbn0 Gstatic Com Images Q Tbn 3aand9gcqcze8zz S1tcbqcttat Iorhsgtzyqm1qxwymgix7kxpcalqpakiptplknjaefhbq Usqp Cau

Craftsman 113213100 User Manual 8 Drill Press Manuals And Guides

Craftsman 113213100 User Manual 8 Drill Press Manuals And Guides

Buy Craftsman Model 124 34984 Replacement Parts

Buy Craftsman Model 124 34984 Replacement Parts

Craftsman Drill Press Page 64 The Garage Journal Board

Craftsman Drill Press Page 64 The Garage Journal Board

Sears Craftsman 8 Inch Drill Press Manual

Sears Craftsman 8 Inch Drill Press Manual

137 219120 Craftsman 12 In Drill Press Bench Model 2 3 Hp 5 Speed

137 219120 Craftsman 12 In Drill Press Bench Model 2 3 Hp 5 Speed

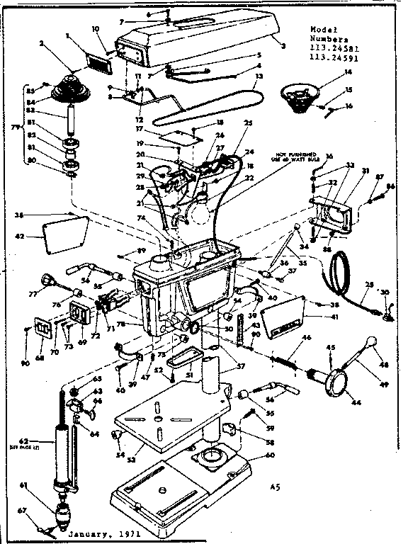
Craftsman 11324581 Drill Press Parts Sears Parts Direct

Craftsman 11324581 Drill Press Parts Sears Parts Direct

Oem Craftsman Drill Press Parts Expert Diy Repair Help Fast

Oem Craftsman Drill Press Parts Expert Diy Repair Help Fast