Craftsman 6x48 Belt And 9 Disc Sander Parts

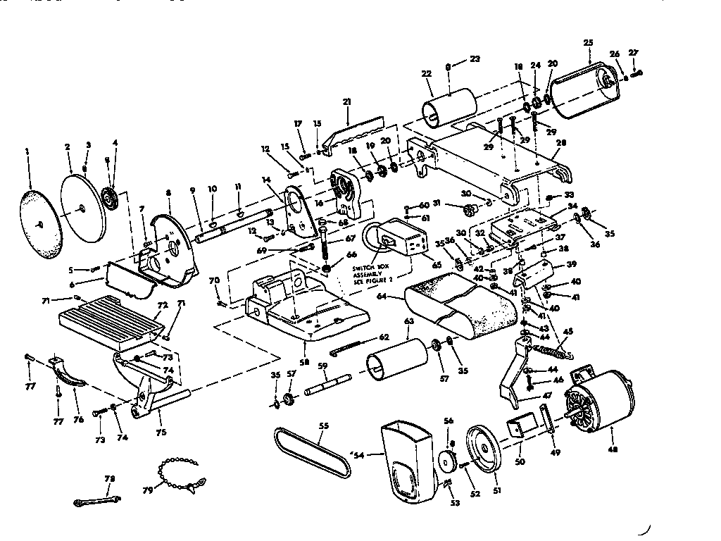
Craftsman 113225941 Power Sander Parts Sears Parts Direct

Craftsman 113225941 Power Sander Parts Sears Parts Direct

113 226431 Craftsman Belt And Disc Sander

113 226431 Craftsman Belt And Disc Sander

Shaft Hub Craftsman 3 4 Hp Bench Top 6 X 48 Belt 9 Disc

Shaft Hub Craftsman 3 4 Hp Bench Top 6 X 48 Belt 9 Disc


6 X 48 Belt Sander Refurb By Jtbinvalrico Lumberjocks Com

6 X 48 Belt Sander Refurb By Jtbinvalrico Lumberjocks Com

351 225930 Craftsman 6 X 48 Inch Belt 9 In Disc Sander W Dust

351 225930 Craftsman 6 X 48 Inch Belt 9 In Disc Sander W Dust

6 X 48 Belt Sander Refurb By Jtbinvalrico Lumberjocks Com

6 X 48 Belt Sander Refurb By Jtbinvalrico Lumberjocks Com

Rikon 6 X 48 Belt 10 Disc Sander

Rikon 6 X 48 Belt 10 Disc Sander

Fs Vintage Craftsman Belt And Disc Sander Parts The Garage

Fs Vintage Craftsman Belt And Disc Sander Parts The Garage

Craftsman 351226060 User Manual Sander Manuals And Guides L0201091

Craftsman 351226060 User Manual Sander Manuals And Guides L0201091

Craftsman 113 22500 6 X 48 Belt 9 The Tool Consignment

Craftsman 113 22500 6 X 48 Belt 9 The Tool Consignment

How To Change The Belt On A Craftsman Belt Sander 30 000 Belt

How To Change The Belt On A Craftsman Belt Sander 30 000 Belt

Cheap Lowes Belt Disc Sander Find Lowes Belt Disc Sander Deals On

Cheap Lowes Belt Disc Sander Find Lowes Belt Disc Sander Deals On