Craftsman 13 Scroll Saw Manual

113 236150 Craftsman 16 Inch Variable Speed Scroll Saw Manual

113 236150 Craftsman 16 Inch Variable Speed Scroll Saw Manual

Craftsman 16 Scroll Saw Model No 137 21616 95 Exton

Craftsman 16 Scroll Saw Model No 137 21616 95 Exton

Manuals Books Owners Manual

Manuals Books Owners Manual


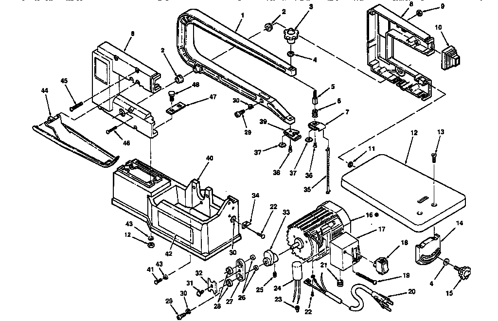
Craftsman 113236270 Scroll Saw Parts Sears Parts Direct

Craftsman 113236270 Scroll Saw Parts Sears Parts Direct

Craftsman 315 172320 Owner S Manual Manualzz

Craftsman 315 172320 Owner S Manual Manualzz

Buy Craftsman Model 124 34984 Replacement Parts

Buy Craftsman Model 124 34984 Replacement Parts

Craftsman 113 236400 Owner S Manual Manualzz

Craftsman 113 236400 Owner S Manual Manualzz

Sears Craftsman Table Saw Manual Model And 50 Similar Items

Sears Craftsman Table Saw Manual Model And 50 Similar Items

Operator S Manual 16 In Variable Speed Scroll Saw Sears

Operator S Manual 16 In Variable Speed Scroll Saw Sears

Craftsman 6 Amp Corded Orbital Jig Saw At Menards

Craftsman 6 Amp Corded Orbital Jig Saw At Menards

Sears Craftsman 113 29950 12 Inch Table Saw Op Parts Manual

Sears Craftsman 113 29950 12 Inch Table Saw Op Parts Manual

Craftsman 113236110 Scroll Saw Parts Sears Parts Direct

Craftsman 113236110 Scroll Saw Parts Sears Parts Direct