Craftsman 103 Table Saw Manual

Vintage Sears Roebuck Craftsman Model 103 23150 Jigsaw Data Plate

Vintage Sears Roebuck Craftsman Model 103 23150 Jigsaw Data Plate

103 27270 Craftsman 10 Inch Floor Model Saw Table Saw Manual 1946

103 27270 Craftsman 10 Inch Floor Model Saw Table Saw Manual 1946

Sears Craftsman Table Saw Manual Model 103 22160 Ebay

Sears Craftsman Table Saw Manual Model 103 22160 Ebay


Sears Craftsman Table Saw Owners Manual Many And 50 Similar Items

Sears Craftsman Table Saw Owners Manual Many And 50 Similar Items

Craftsman 103 20620 6 Jointer Instructions And Part Manual

Craftsman 103 20620 6 Jointer Instructions And Part Manual

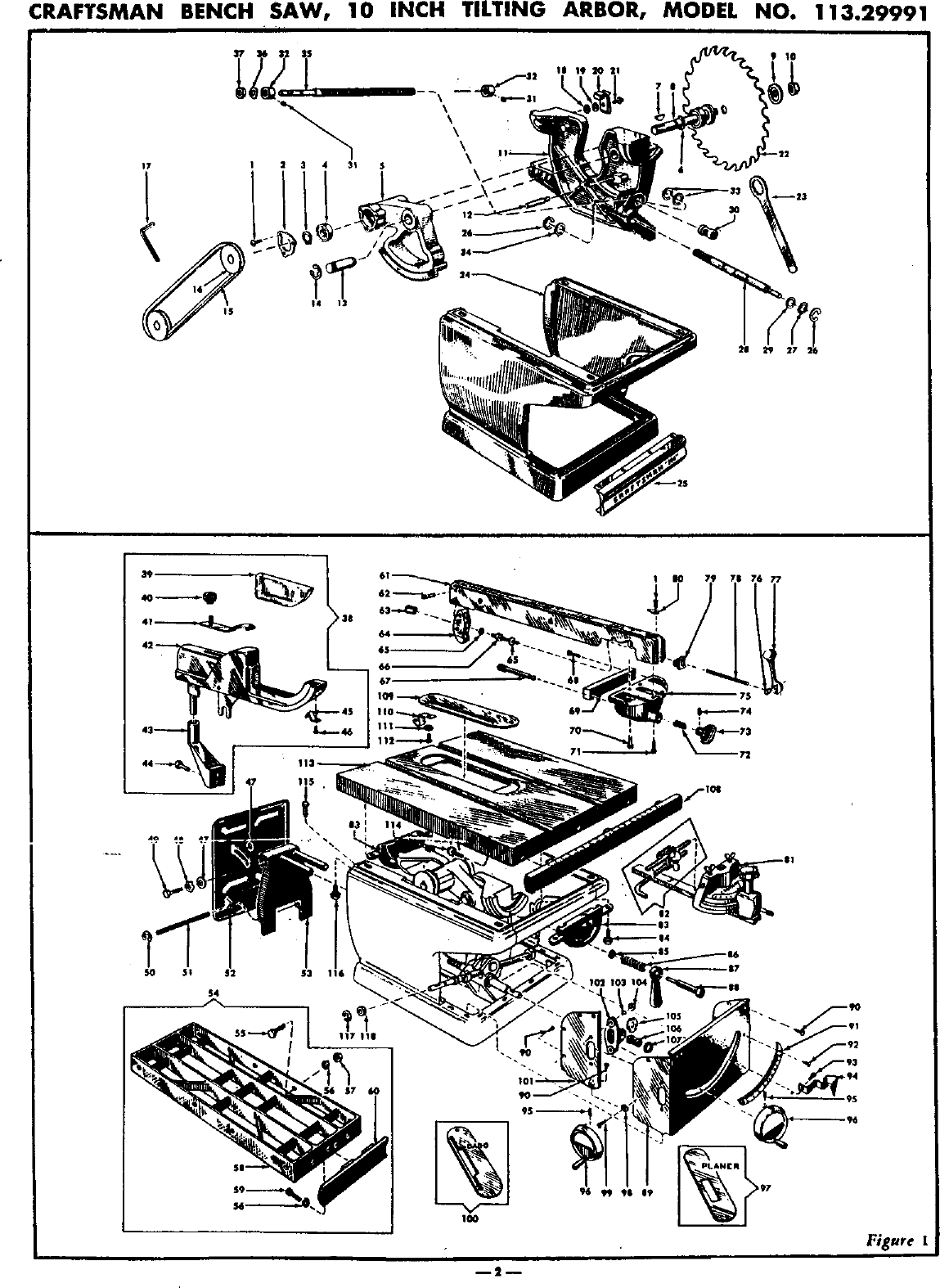
Craftsman 11329991 User Manual Bench Saw Manuals And Guides L9090360

Craftsman 11329991 User Manual Bench Saw Manuals And Guides L9090360

Http Www Wolfcraft Com Fileadmin User Upload Katalog 2019 Hauptkatalog 2019 En Pdf

Http Www Wolfcraft Com Fileadmin User Upload Katalog 2019 Hauptkatalog 2019 En Pdf

Old Sears Table Saw Parts Mycoffeepot Org

Old Sears Table Saw Parts Mycoffeepot Org

Craftsman 10 Table Saw 103 27270 Operator Parts Manual Ozark

Craftsman 10 Table Saw 103 27270 Operator Parts Manual Ozark

Old Craftsman Table Saw

Old Craftsman Table Saw

Vintage Craftsman Table Saw Thread The Garage Journal Board

Vintage Craftsman Table Saw Thread The Garage Journal Board

Https Www Cpsc Gov S3fs Public Pdfs Powersaw Pdf

Https Www Cpsc Gov S3fs Public Pdfs Powersaw Pdf