Craftsman 10 Inch Radial Arm Saw Parts

The Radial Arm Saw A Guide Of Sorts 14 Steps With Pictures

The Radial Arm Saw A Guide Of Sorts 14 Steps With Pictures

Craftsman 11329461 User Manual 10 Inch Accra Arm Radial Saw

Craftsman 11329461 User Manual 10 Inch Accra Arm Radial Saw

Craftsman 10 Inch Radial Saw 133 197751 W Stand 63607 120 240v 1

Craftsman 10 Inch Radial Saw 133 197751 W Stand 63607 120 240v 1


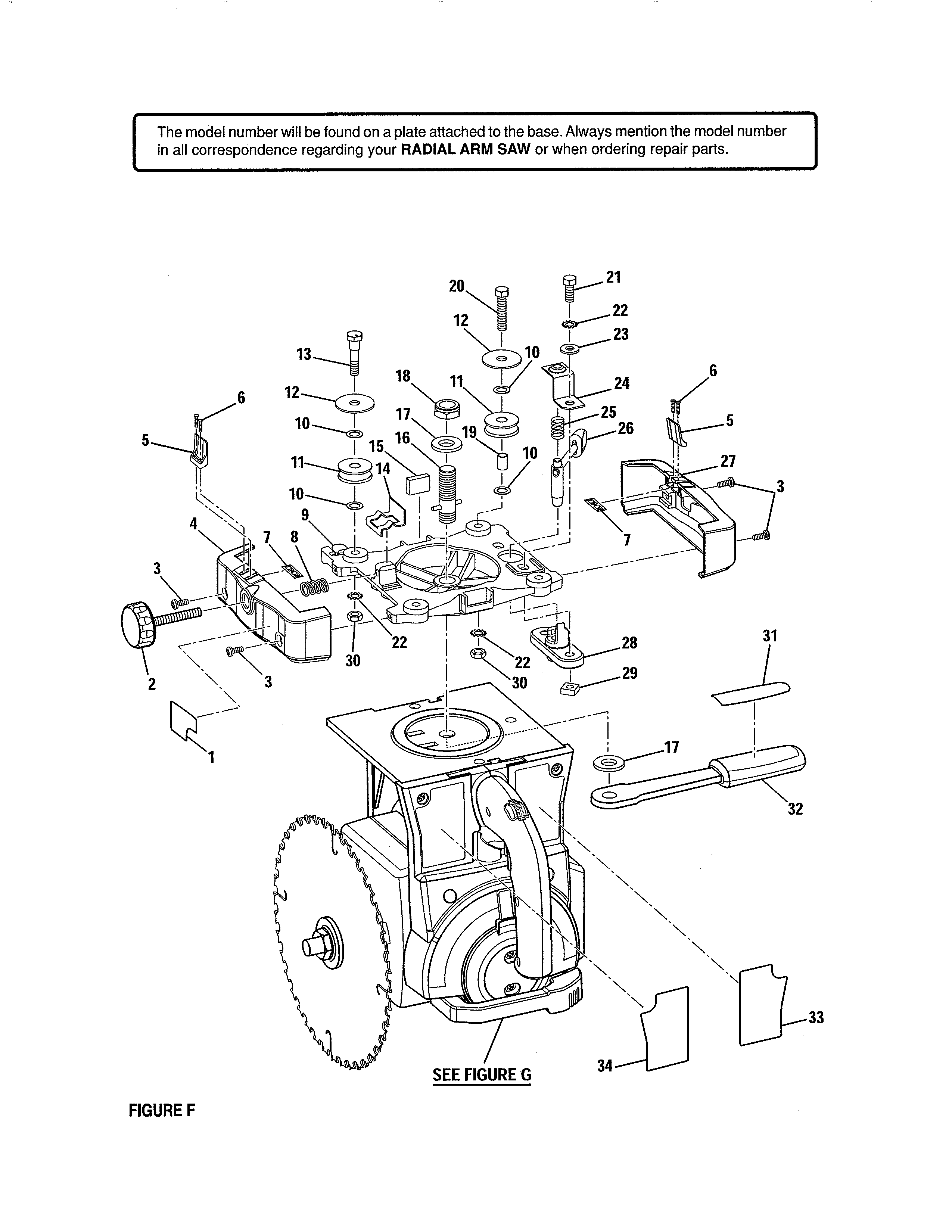
Craftsman 315220100 Radial Arm Saw Parts Sears Parts Direct

Craftsman 315220100 Radial Arm Saw Parts Sears Parts Direct

113 199200 Craftsman 10 Inch Radial Saw

113 199200 Craftsman 10 Inch Radial Saw

Craftsman 10 Radial Arm Saw Model 113 197750 300 North Terre

Craftsman 10 Radial Arm Saw Model 113 197750 300 North Terre

Powermatic 1792016k Model Pm2000 10 Inch 3 Hp 1 Phase Table Saw

Powermatic 1792016k Model Pm2000 10 Inch 3 Hp 1 Phase Table Saw

Safety Radial Arm Saw Recall Manualzz

Safety Radial Arm Saw Recall Manualzz

Craftsman 10 Inch Radial Saw 113197751 Ereplacementparts Com

Craftsman 10 Inch Radial Saw 113197751 Ereplacementparts Com

Craftsman 10 Inch Radial Saw 11323111 Ereplacementparts Com

Craftsman 10 Inch Radial Saw 11323111 Ereplacementparts Com

Craftsman Radial Arm Saw Model 9058 Manual

Craftsman Radial Arm Saw Model 9058 Manual

Setting Up A Radial Arm Saw 13 Steps With Pictures Instructables

Setting Up A Radial Arm Saw 13 Steps With Pictures Instructables