Bosch 3912 Miter Saw

Bosch 3912 15 Amp 12 Inch Compound Miter Saw Youtube

Bosch 3912 15 Amp 12 Inch Compound Miter Saw Youtube

Bosch Cm12 Miter Saw Jlc Online

Bosch Cm12 Miter Saw Jlc Online

Sold Bosch 3912 15 Amp 12 Inch Compound Miter Saw 250

Sold Bosch 3912 15 Amp 12 Inch Compound Miter Saw 250


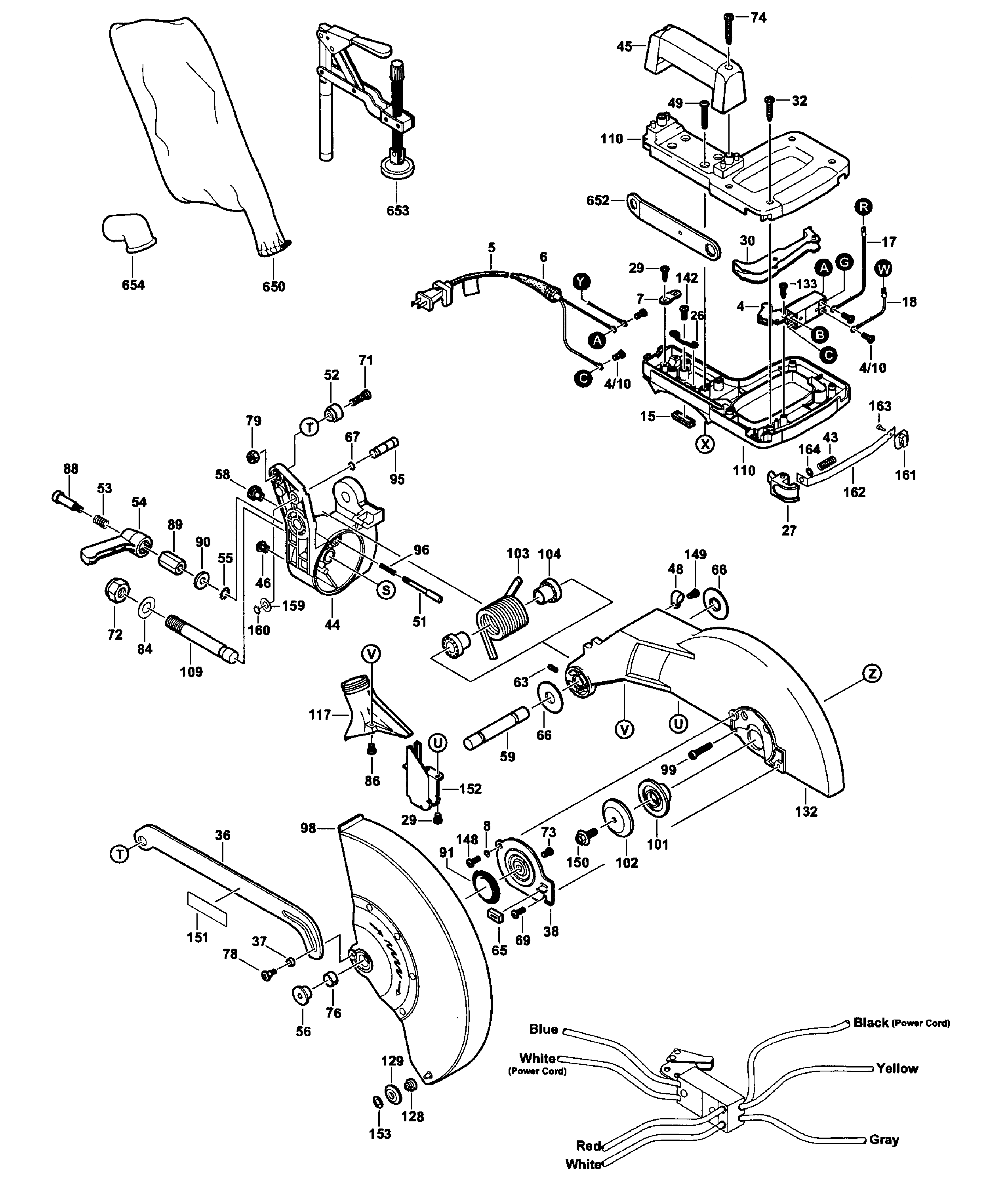
Bosch 3912 Miter Saw Parts Sears Parts Direct

Bosch 3912 Miter Saw Parts Sears Parts Direct

Bosch 3912 Compound Miter Saw Key Assembly Part Kit 2610910828 For

Bosch 3912 Compound Miter Saw Key Assembly Part Kit 2610910828 For

Bosch 3912 Compound Miter Saw Gear Shaft Bearing Assembly Part Kit

Bosch 3912 Compound Miter Saw Gear Shaft Bearing Assembly Part Kit

Bosch Corded Miter Saw 12 Blade Dia 3800 Rpm Max Blade Speed

Bosch Corded Miter Saw 12 Blade Dia 3800 Rpm Max Blade Speed

Bosch 12 Miter Saw 3912 Ereplacementparts Com

Bosch 12 Miter Saw 3912 Ereplacementparts Com

Bosch 3912 Gcm12 Compound Miter Saw Online Tool Reviews

Bosch 3912 Gcm12 Compound Miter Saw Online Tool Reviews

Bosch 3912 15 Amp 12 Inch Compound Miter Saw With Dust Bag And

Bosch 3912 15 Amp 12 Inch Compound Miter Saw With Dust Bag And

Bosch 3912 B3915 3915 Miter Saw Replacement Dust Bag 2610911939

Bosch 3912 B3915 3915 Miter Saw Replacement Dust Bag 2610911939

Bosch 3912 15 Amp 12 Inch Compound Miter Saw With Dust Bag And

Bosch 3912 15 Amp 12 Inch Compound Miter Saw With Dust Bag And