Bosch 1587avs Parts List

Https Www Manualshelf Com Manual Bosch Power Tools 0601584651 Bosch Jig Saw Parts List Html

Https Www Manualshelf Com Manual Bosch Power Tools 0601584651 Bosch Jig Saw Parts List Html

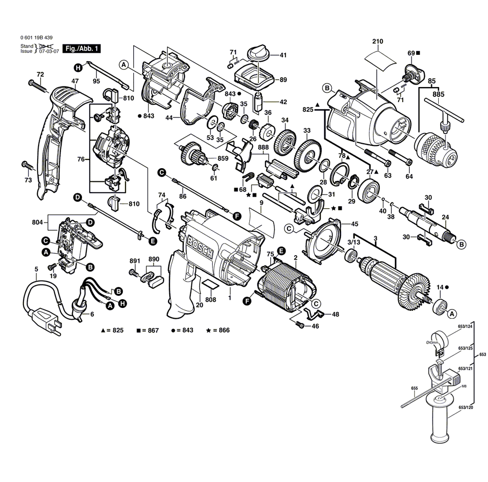
Bosch 1587avs 0601587651 Tool Parts

Bosch 1587avs 0601587651 Tool Parts

Bosch 1587avs Jigsaw Property Room

Bosch 1587avs Jigsaw Property Room


Bosch Spring Bsh 2604617004 Tool Parts And Accessories

Bosch Spring Bsh 2604617004 Tool Parts And Accessories

Bosch Parts Samyysandra Com

Bosch Parts Samyysandra Com

2602025901 Handle Assembly Tool Parts Direct

2602025901 Handle Assembly Tool Parts Direct

Jig Saw Attachments

Jig Saw Attachments

Bosch 1581vs Owners Manual

Bosch 1581vs Owners Manual

Bosch 1587avs Jig Saw And 13 Similar Items

Bosch 1587avs Jig Saw And 13 Similar Items

Bosch 1587avs 0601587651 Tool Parts

Bosch 1587avs 0601587651 Tool Parts

Bosch 1587avs Jig Saw Replacement Plastic Work Foot 2610996230

Bosch 1587avs Jig Saw Replacement Plastic Work Foot 2610996230

Pre Owned Bosch 1587avs Jigsaw With Case 30 Extra Blades Vg

Pre Owned Bosch 1587avs Jigsaw With Case 30 Extra Blades Vg